![]() |
![]() |
||
GU-88A
TRIODE
The GU-88A triode is a RF oscillator and power amplifier tube for use in stationary general-purpose RF equipment.
GENERAL
Cathode: directly heated, carbonized thoriated tungsten.
Envelope: metal-ceramic.
Cooling: water for anode, forced air for envelope other elements.
Height: at most 764 mm.
Diameter: at most 215 mm.
Mass: at most 33 kg.
00021.jpg)
00022.jpg)
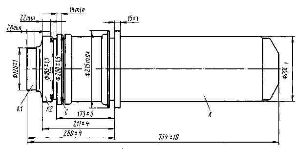
K1, K2 - cathode; C - grid; A - anode
|
BASIC DATA Electrical Parameters |
|
| Filament voltage (AC or DC), V | 26 |
| Filament current, A | 640-720 |
| Output power at frequencies up to 22 MHz, kW, at least | 500 |
| Mutual conductance (at anode voltage 1 kV, peak grid voltages 200 and 600 V), mA/V | 380-620 |
| Cathode emission current, A, at least | 500 |
| Static amplification factor (at anode voltages 1 and 2 kV, anode current 10 A) | 36-54 |
| Interelectrode capacitance, pF: | |
| grid-anode, at most | 200 |
| grid-cathode, at most | 500 |
| anode-cathode, at most | 7.5 |
| Limit Operating Values | |
| Filament voltage (AC or DC), V | 24-26 |
| Filament starting current (peak value), A | 1,150 |
| Anode voltage (DC), kV | 12 |
| Negative bias voltage, absolute value, V | 500 |
| Dissipation, kW: | |
| anode | 400 |
| grid | 7 |
| Operating frequency, MHz | 30 |
| Envelope temperature at hottest point (except for anode), °C | 175 |
00031.jpg)
Averaged Characteristic Curves:
_____ anode-grid;
_ _ _ grid
Main Menu | All Types | Contact Us | Order Form | Warranty | Quality | Company Profile